ECO-WORTHY 電動 シリンダ アクチュエーター コンバイン トラクター 農業機器用 100mm
- メーカー
- エコソーステクノロジー会社
- JAN
- 0604697204316
- メーカー品番
- 43216-6294
- この商品のレビュー
- Amazonでのレビュー
- シェア
商品説明
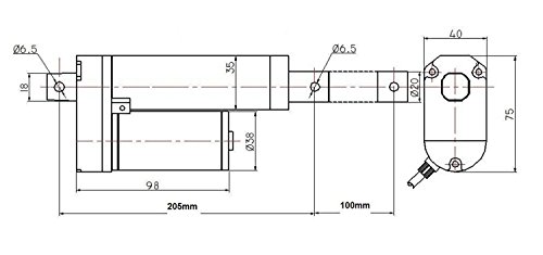
輸入電圧:12VDC
最大負荷:1500N
推進長度:100mm
スピード:5.7mm / s
デュティーサイクル:20%
スタート電流(負荷なし):0.8A
最大電流:3A
カラー:シルバー
農業用機械、台車(姿勢制御) 、リフター(持上機械) 、産業用機器(溶接機器) 福祉機器(ベッド、車椅子、各種介護機器)、ボート,車、自転車、ファン 家庭電化製品、電気錠、福祉車両、リフター、ゲート、リクライニング、車輌ドア開閉装置 入浴介護リフト、エンジン燃料弁開閉装置、診察台昇降装置、段差解消機、排煙装置 多数の用途で使われています。
特記事項
- DC12V電動アクチュエータ。モーターによりピストンが伸縮します。物の上げ下ろし、開閉、角度や方向、姿勢の制御など工夫次第で様々な用途に。両端の固定金具をセット。
- 入力電圧:DC12V・伸縮長:約100mm・推力:1500N・寸法:420mm
- 動作電源の正負逆転により伸縮を行いますので正負逆転スイッチが必要です。
- 長寿命モーターです
- 商品内容:12V電動アクチュエータ本体1個・取付金具2個













