工具専科
工具関係の商品の価格比較などを行っています
すべて
電動工具・エア工具
大工道具・用品
配管・排水用備品
建築・住宅資材
電設
住宅用設備・製品
建築金物
作業工具
測定工具
安全・保護用品
エクステリア
ガーデニング
塗装
検索
トップ
カテゴリー一覧
メーカー一覧
キーワード一覧
このサイトについて
トップ
>
建築金物
>
物干し金物
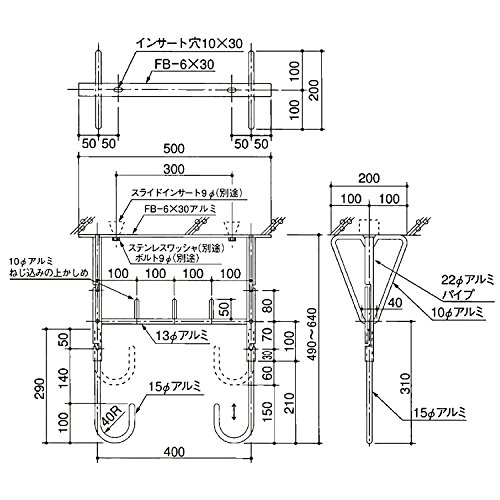
クマモト アルミ自在物干 KAJ-640
メーカー
クマモト
JAN
4589529426530
メーカー品番
KAJ-640
メーカー希望小売価格
¥6,480
この商品のレビュー
Amazonでのレビュー
シェア
Tweet
特記事項
材質:A6063S-T5
仕上:アルマイト
関連リンク
クマモトの物干し金物の商品一覧
価格ランキング
1位
Y!:測定器・工具のイーデンキ
最安値
¥4,617
¥1,863(29%) OFF
2位
Y!:DIY FACTORY ONLINE SHOP
¥4,755
¥1,725(27%) OFF