サンダイヤ 250型タンク 壁寄りタイプ(脚高調節可能) 『容積249L』 KS3-250RJ
- メーカー
- サンダイヤ
- JAN
- KS3-250RJ
- メーカー品番
- KS3-250RJ
- この商品のレビュー
- Amazonでのレビュー
- シェア
商品説明
●商品番号:65363401
●通常納期:7~14日後発送
●配送区分:【5】
●工事対応:この商品は工事を承っておりません。
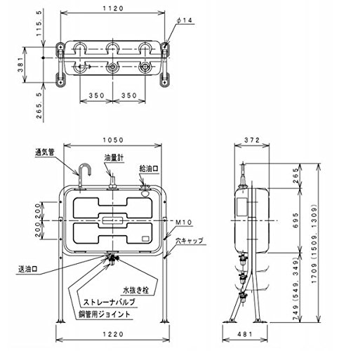
●サイズ:幅 1220.0mm × 奥行き 372.0mm × 高さ 1509.0mm
●重量(kg):43
●場所を取らない省スペース型
●備考:【仕様】
●本体:材質/溶融亜鉛メッキ鋼板 色/ライトベージュ
●バルブ:3wayストレーナバルブ
●付属品:Φ8×1/2ジョイント付
●質量:200型/41kg 250型/43kg
※200型タンクは通気管なしとなります
価格ランキング
-
1位最安値¥44,055
-
2位¥44,055
-
3位¥45,088
-
4位¥47,500
-
5位¥55,000


