スガツネ工業 ランプ印 シリンダープッシュ錠 2100M型 (別番) 2100M-B
- メーカー
- スガツネ工業
- JAN
- 4510932019118
- メーカー品番
- 2100M-B
- この商品のレビュー
- Amazonでのレビュー
- シェア
商品説明
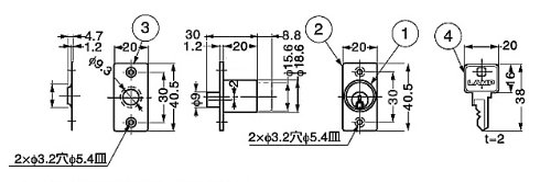
●【用途】木製引違戸用。【機能・特徴】キーを差し込み、軽く回すと解錠できます。鍵違い数は12通りです。トータルロック2100シリーズの中で同じキー番号をご指定いただくと、キーの共通使用ができます。●付属品:十字穴付皿木ねじ2.7×16。【材質】本体:亜鉛合金(ZDC)。●取付座・受座・キー:黄銅(真鍮)。
特記事項
- 材料:亜鉛合金(ZDC)/黄銅(真鍮)
- 仕上:サチライトニッケルめっき/ニッケルめっき
- 適応板厚サイズ(mm):20
- シリンダー径:φ18.6
- 別番/同番:別番
関連リンク
価格ランキング
-
1位最安値¥2,402
-
2位¥2,403
-
3位¥2,570
-
4位¥2,673
-
5位¥2,959


