工具専科
工具関係の商品の価格比較などを行っています
すべて
電動工具・エア工具
大工道具・用品
配管・排水用備品
建築・住宅資材
電設
住宅用設備・製品
建築金物
作業工具
測定工具
安全・保護用品
エクステリア
ガーデニング
塗装
検索
トップ
カテゴリー一覧
メーカー一覧
キーワード一覧
このサイトについて
トップ
>
建築金物
>
建築金具
>
補助錠・錠前
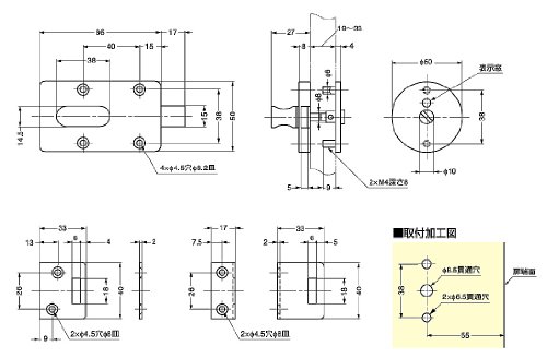
スガツネ工業 d line 表示器付ラッチ錠 14-3476-02-028
メーカー
スガツネ工業
JAN
4510932018425
メーカー品番
14-3476-02-028
この商品のレビュー
Amazonでのレビュー
シェア
Tweet
特記事項
材料:ステンレス鋼(SUS316)
仕上:ヘアライン仕上
関連リンク
スガツネ工業の補助錠・錠前の商品一覧
価格ランキング
1位
Y!:ハードボックス
最安値
¥44,880
2位
Y!:DIY FACTORY ONLINE SHOP
¥49,410
3位
Y!:ORANGE TOOL TOKIWA
¥54,202
4位
Y!:生活雑貨 yutorito
¥59,268