スガツネ工業 ランプ印 面付シリンダー表示錠 2200型(同番) トータルロック2200シリーズ 2200-24-D
- メーカー
- スガツネ工業
- JAN
- 4510932018791
- メーカー品番
- 2200-24-D
- この商品のレビュー
- Amazonでのレビュー
- シェア
商品説明
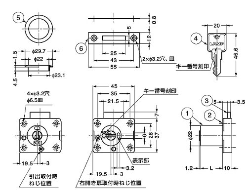
●【用途】施錠。【機能・特徴】施錠状態が一目でわかる表示器付です(解錠時:青・施錠時:赤)。面付タイプなので、かぶせ扉などに適しています。鍵違い数は12通りです。トータルロック2200シリーズの中で同じキー番号をご指定いただくと、キーの共通使用ができます。●付属品:十字穴付皿木ねじ3.1×20・2.1×10(ステンレス鋼)。【材質】シリンダー:亜鉛合金(ZDC)。●本体・デッドボルト・キー・リング:黄銅(真鍮)。●受座:ステンレス鋼(SUS304)。
特記事項
- 材料:ステンレス鋼(SUS304)/亜鉛合金(ZDC)/黄銅(真鍮)
- 仕上:サチライトニッケルめっき/ニッケルめっき
- シリンダー径:φ22
- 適応板厚サイズ(mm):24
- 別番/同番:同番
- Lサイズ(mm):24

