トップ(TOP) トップナット アルミニウム スモールフランジナット AFH-425SF
- メーカー
- トップ工業
- ブランド
- トップ工業(TOP)
- JAN
- 4975180764492
- メーカー品番
- AFH-425SF
- この商品のレビュー
- Amazonでのレビュー
- シェア
商品説明
●溶接、タップ立て不要
特記事項
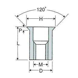
- 全長:11.0mm
- ネジの呼び:M4×0.7
- 加工物穴径:6.1mm
- 推奨カシメ板厚:1.5~2.5mm
- ソケット径:6.0mm
- 頭部巾:7.0mm
- 頭部厚:0.5mm
- 標準強度:トルク/4.9N・m、剪断/140kgf、引張/410kgf
- 入り数:50本
- 材質:アルミニウム
関連リンク
価格ランキング
-
1位最安値¥19,941
-
2位¥23,789
-
3位¥24,167
-
4位¥24,167
-
5位¥31,829
