トップ(TOP) トップナット アルミニウム スモールフランジナット AFH-840SF
- メーカー
- トップ工業
- ブランド
- トップ工業(TOP)
- JAN
- 4975180765468
- メーカー品番
- AFH-840SF
- メーカー希望小売価格
- ¥1,674
- この商品のレビュー
- Amazonでのレビュー
- シェア
商品説明
●溶接、タップ立て不要
特記事項
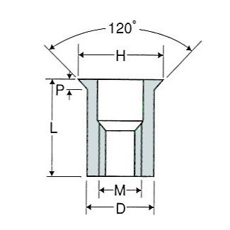
- 全長:17.0mm
- ネジの呼び:M8×1.25
- 加工物穴径:11.1mm
- 推奨カシメ板厚:2.5~4.0mm
- ソケット径:11.0mm
- 頭部巾:12.0mm
- 頭部厚:0.5mm
- 標準強度:トルク/29.4N・m、剪断/340kgf、引張/1400kgf
- 入り数:20本
- 材質:アルミニウム
