ロイヤル エクセルホルダー 呼名60 ユニクロ EH
- メーカー
- ロイヤル
- JAN
- EH
- メーカー品番
- EH
- メーカー希望小売価格
- ¥1,404
- この商品のレビュー
- Amazonでのレビュー
- シェア
商品説明
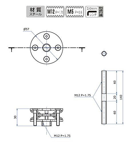
仕様
呼名:60
カラー:ユニクロ
テーブル脚カスタマイズ用バラ売りバーツ(溶接不要簡易ナット)
四方テーブル脚立設什器用(溶接ナットではないため、こじれ方向荷重不可注意)
材質:スチール(プレート3.2t、エキスパンド部2.0t)
皿キャップボルト付属(M5×0.8P、3mmレンチ付)
連結用ボルト付属(M12×1.75P)
※商品画像はイメージです。
※メーカーからの取寄せ商品のため、ご注文後のキャンセル、返品、交換はできません。お急ぎの場合はご注文前に納期をお問合せ下さい。


