ロイヤル ブレーキングブラケット 左右セット 呼名200 クローム BT-110R/L
- メーカー
- ロイヤル
- JAN
- BT-110R/L
- メーカー品番
- BT-110R/L
- メーカー希望小売価格
- ¥842
- この商品のレビュー
- Amazonでのレビュー
- シェア
商品説明
仕様
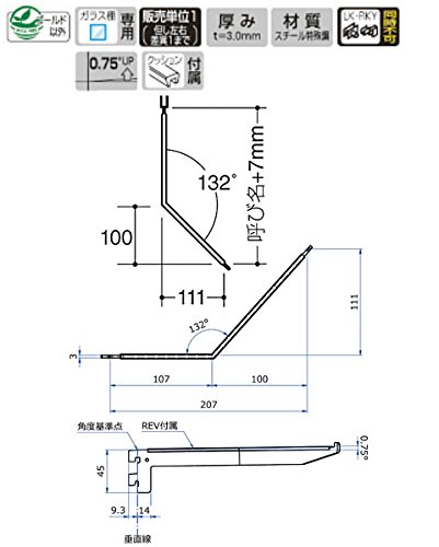
呼名:200
色:クローム
スリット穴掛け式棚等設置システムの、ガラス棚専用腕金具(先端前ズレ防止構造付き、ブラケット先端部が棚板の内側に入る曲げ加工付き)
Bタイプブラケット
左右セット在庫品(BT-110R/L併用必要)
材質:スチール特殊鋼(3.0t)
クッション材質:EVA樹脂
腕金具のアップ角度:0.75度
適合振れ止め:LK、またはPLの爪側使用(但しRKYとの同時使用不可)
PSL加工(PH加工)対応不可
※商品画像はイメージです。
※メーカーからの取寄せ商品のため、ご注文後のキャンセル、返品、交換はできません。お急ぎの場合はご注文前に納期をお問合せ下さい。

