ロイヤル ステンレスロッドフック4径 呼名50 ステンレスヘアーライン SUS-4R
- メーカー
- ロイヤル
- JAN
- SUS-4R
- メーカー品番
- SUS-4R
- メーカー希望小売価格
- ¥540
- この商品のレビュー
- Amazonでのレビュー
- シェア
商品説明
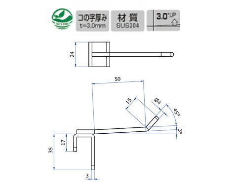
仕様
呼名:50
カラー:ステンレスヘアーライン
先端保護キャップ(4RE-P)装着可能
材質:SUS304(4φ線材、コの字部3.0t)
アップ角度:3度
ステンレス製Sバー装着式フェイスパーツの中の、小物吊り下げ陳列用フック
※商品画像はイメージです。
※メーカーからの取寄せ商品のため、ご注文後のキャンセル、返品、交換はできません。お急ぎの場合はご注文前に納期をお問合せ下さい。


