三木プーリ ロスタ テンシヨナー NSE-15-35S
- メーカー
- 三木プーリ
- JAN
- NSE-15-35S
- メーカー品番
- NSE-15-35S
- メーカー希望小売価格
- ¥7,754
- この商品のレビュー
- Amazonでのレビュー
- シェア
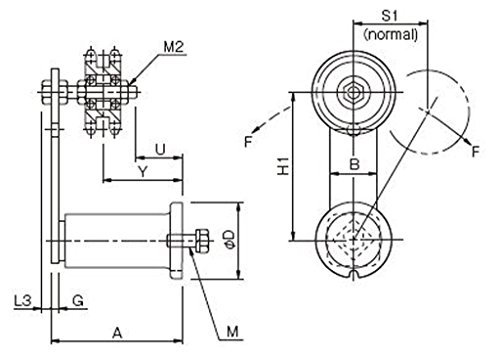
特記事項
- 荷重範囲 F(N):0~135
- 最大変位 S1(mm):50
- 最大変位 S2(mm):40
- 適合チェーン:35
- 寸法B(mm):25
- 寸法D(mm):45
- 寸法G(mm):5
- 寸法H1(mm):100
- 寸法L3(mm):7
関連リンク
価格ランキング
-
1位最安値¥11,518
-
2位¥13,200
-
3位¥13,200

