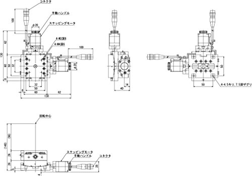
中央精機 二軸傾斜ステージ ATD-C610B-HM
- メーカー
- 中央精機
- JAN
- 4589937501805
- メーカー品番
- ATD-C610B-HM
- この商品のレビュー
- Amazonでのレビュー
- シェア
特記事項
- 移動方向:傾斜2方向
- 移動量:上軸±6°、下軸±5°
- ステージ面:60mm×60mm
- 使用モータ:PK523HPB相当(5線式ペンタゴン結線、0.75A/相)
- 分解能:上軸0.000512°、下軸0.000415°
- 送りねじリード:0.5mm
- 移動機構/送り方式:複合カップリング/送りねじ
- 移動ガイド:V溝とクロスローラ
- 位置決め精度:0.03°
関連リンク
価格ランキング
-
1位最安値¥359,000
-
2位¥366,598
-
3位¥400,112
-
4位¥403,257
-
5位¥420,789

