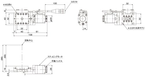
中央精機 傾斜ステージ ATS-C412B-HM
- メーカー
- 中央精機
- JAN
- 4589937501942
- メーカー品番
- ATS-C412B-HM
- メーカー希望小売価格
- ¥167,400
- この商品のレビュー
- Amazonでのレビュー
- シェア
特記事項
- 移動方向:傾斜1方向
- 移動量:±6°
- ステージ面:40mm×40mm
- 使用モータ:PK523HPB相当(5線式ペンタゴン結線、0.75A/相)
- 分解能:0.000725°
- 送りねじリード:0.5mm
- 移動機構/送り方式:複合カップリング/送りねじ
- 移動ガイド:V溝とクロスローラ
- 位置決め精度:0.03°

