中央精機 ハイグレードアルミXYステージ 30×30 LD-3047-CR1
- メーカー
- 中央精機
- JAN
- 4589937510265
- メーカー品番
- LD-3047-CR1
- メーカー希望小売価格
- ¥45,360
- この商品のレビュー
- Amazonでのレビュー
- シェア
特記事項
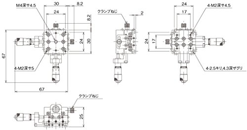
- 移動方向:XY軸2方向
- ステージ面:30mm×30mm
- クランプ方式:板クランプ
- 操作部取付位置:センター
- 移動機構/送り方式:CMH-6.5RA(標準マイクロメータ)
- 移動量:±3mm
- 移動量/ツマミ1回転:0.5mm
- 目量:マイクロメータ式0.01mm
- 感度:0.003mm
関連リンク
価格ランキング
-
1位最安値¥43,834¥1,526(4%) OFF
-
2位¥43,835¥1,525(4%) OFF
-
3位¥46,640
-
4位¥46,640

