中央精機 X・Yステージ ねじリード5mm ALD-220-C5P
- メーカー
- 中央精機
- JAN
- 4589937500228
- メーカー品番
- ALD-220-C5P
- メーカー希望小売価格
- ¥777,600
- この商品のレビュー
- Amazonでのレビュー
- シェア
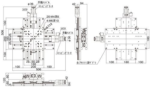
特記事項
- 移動方向:XY軸2方向
- 移動量:±100mm
- ステージ面:200mm×200mm
- 使用モータ:PK545NBW相当(5線式ペンタゴン結線、0.75A/相)
- 分解能:0.01mm
- 送りねじリード:5mm
- 移動ガイド:ボールウェイ
- 移動精度HV:真直度(水平・垂直)0.02mm
- 位置決め精度:0.08mm
関連リンク
価格ランキング
-
1位最安値¥734,977¥42,623(6%) OFF
-
2位¥738,786¥38,814(5%) OFF
-
3位¥774,180¥3,420(1%) OFF
-
4位¥774,180
-
5位¥774,180
-
6位¥808,474
-
7位¥815,443
-
8位¥923,400

