中央精機 重荷重用回転式クロスクランプ φ12-φ12用 CH-12-12
- メーカー
- 中央精機
- JAN
- 4589937519060
- メーカー品番
- CH-12-12
- メーカー希望小売価格
- ¥8,640
- この商品のレビュー
- Amazonでのレビュー
- シェア
特記事項
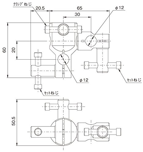
- クランプ径:φ12mm-φ12mm
- 質量:0.18kg
- ホルダのシャフトやポールを自由な交差角で保持するために使用します
- 重荷重用なのでセットねじで押さえつける方式ではなく、スリワリを締め込んで強く固定できる固定方式です
- φ12mm-φ12mmの組み合わせ
関連リンク
価格ランキング
-
1位最安値¥11,036
-
2位¥11,900
-
3位¥12,485
-
4位¥12,485

