中央精機 ハイグレードXYステージ 70×70 LD-7042-S6-2
- メーカー
- 中央精機
- JAN
- 4589937511484
- メーカー品番
- LD-7042-S6-2
- メーカー希望小売価格
- ¥58,320
- この商品のレビュー
- Amazonでのレビュー
- シェア
特記事項
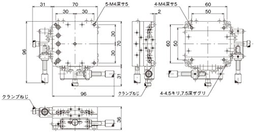
- 移動方向:XY軸2方向
- ステージ面:70mm×70mm
- クランプ方式:操作側板クランプ
- 操作部取付位置:サイド
- 移動機構/送り方式:送りねじP=0.5mm
- 移動量:±6.5mm
- 移動量/ツマミ1回転:0.5mm
- 目量:-
- 感度:0.01mm
関連リンク
価格ランキング
-
1位最安値¥56,135¥2,185(4%) OFF
-
2位¥56,136¥2,184(4%) OFF
-
3位¥56,136¥2,184(4%) OFF
-
4位¥59,730
-
5位¥59,730
-
6位¥59,730
-
7位¥59,730
-
8位¥60,636
-
9位¥70,538

