新潟精機 (SK) マグネットベース 標準型 SB-6C
- メーカー
- 新潟精機
- JAN
- 4975846012233
- メーカー品番
- SB-6C
- メーカー希望小売価格
- ¥3,888
- この商品のレビュー
- Amazonでのレビュー
- シェア
商品説明
●ダイヤルゲージ、ダイヤルインジケータの測定保持具として使用。
特記事項
- 仕様:ダイヤルゲージ・インジケータ等の保持具として。この性能でこの価格・高コストパフォーマンスモデル。
- 用途:ダイヤルゲージ・ダイヤルインジケータ(てこ式)の測定保持具として。
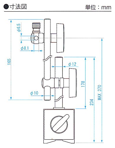
- 仕様:吸着力:約800N・ステム取付:φ6mm・φ8mm・主柱取付ねじ:M8×P1.25
- ベース寸法(mm):50×60×55
- 表面磁束密度(mT):最大100
関連リンク
価格ランキング
-
1位最安値¥2,524¥1,364(36%) OFF
-
2位¥2,634¥1,254(33%) OFF
-
3位¥2,649¥1,239(32%) OFF
-
4位¥2,670
-
5位¥3,026
-
6位¥3,245
-
7位¥3,407
-
8位¥3,500
-
9位¥3,569


