工具専科
工具関係の商品の価格比較などを行っています
すべて
電動工具・エア工具
大工道具・用品
配管・排水用備品
建築・住宅資材
電設
住宅用設備・製品
建築金物
作業工具
測定工具
安全・保護用品
エクステリア
ガーデニング
塗装
検索
トップ
カテゴリー一覧
メーカー一覧
キーワード一覧
このサイトについて
トップ
>
建築金物
>
建築金具
>
ドア用金物
清水 ステンレスW貫抜 S 100 共受 SH-KW100-R
メーカー
清水
ブランド
清水(Shimizu)
JAN
4905637960962
メーカー品番
SH-KW100-R
この商品のレビュー
Amazonでのレビュー
シェア
Tweet
特記事項
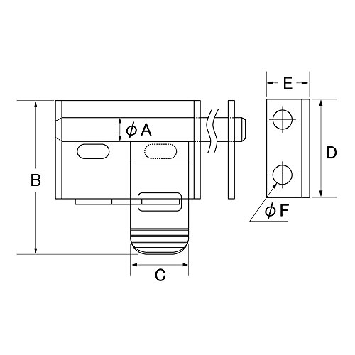
仕様:ステンレスSUS304 電解研磨
サイズ(mm):D:50、E:20、F:7
関連リンク
清水のドア用金物の商品一覧
価格ランキング
1位
Y!:イーヅカ
最安値
¥423
2位
Y!:ファーストWORKヤフー店
¥616
3位
Y!:ファーストヤフー店
¥616
4位
Y!:ミナトワークス
¥707