育良精機 ISK-010 トグルクランプ
- メーカー
- 育良精機(ikura)
- JAN
- 4992873311016
- メーカー品番
- ISK-010
- メーカー希望小売価格
- ¥950
- この商品のレビュー
- Amazonでのレビュー
- シェア
商品説明
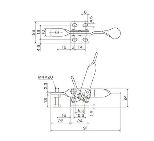
育良 下方押え型トグルクランプ 水平ハンドル(31101) ISK010-1030 【7929307】
特記事項
- ●溶接治具、組立治具、検査治具、加工治具に最適です。
- ●質量(g):37
- ●締圧力(kN):0.2
- ●クランプアーム移動角度(°):70
- ●ハンドル操作角度(°):75
関連リンク
価格ランキング
-
1位最安値¥1,098
-
2位¥1,115
-
3位¥1,119
-
4位¥1,140

