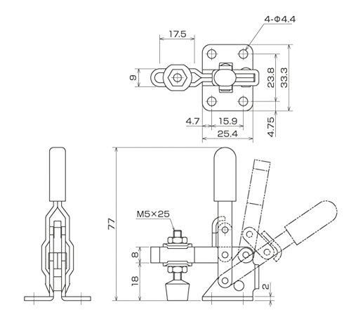
育良精機 ISK-HV1500 トグルクランプ
- メーカー
- 育良精機(ikura)
- JAN
- 4992873313010
- メーカー品番
- ISK-HV1500
- メーカー希望小売価格
- ¥821
- この商品のレビュー
- Amazonでのレビュー
- シェア
商品説明
育良 下方押え型トグルクランプ 垂直ハンドル(31301) ISKHV1500-1030 【7930011】
特記事項
- ●溶接治具、組立治具、検査治具、加工治具に最適です。
- ●質量(g):67
- ●締圧力(kN):0.5
- ●クランプアーム移動角度(°):100
- ●ハンドル操作角度(°):56
関連リンク
価格ランキング
-
1位最安値¥678¥143(18%) OFF
-
2位¥679¥142(18%) OFF
-
3位¥686¥135(17%) OFF
-
4位¥702

