藤井電機工業 ラピッド式安定器 防水(SP) 40W×2灯用 100V RWHL-40100A2-S 50Hz 東日本用
- メーカー
- 藤井電機工業
- JAN
- RWHL-40100A2-S
- メーカー品番
- RWHL-40100A2-S
- この商品のレビュー
- Amazonでのレビュー
- シェア
商品説明
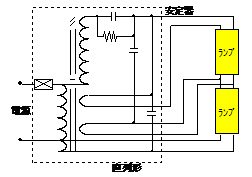
商品詳細 寸法:全長230mm×横57mm×高さ43mm W数:40W 入力電圧:100V 二次電圧:290V 入力電流:0.88A 短絡電流:0.7A 入力電力:85W 周波数:50(60)Hz 質量:175030 g 安定器色:白 ■ラピッドスタート式: ラピッドスタート式安定器は、ラピッドスタート形蛍光ランプと組み合わせて グロースタータなどを使用しないで蛍光ランプを点灯させます。 電源に電圧を加えると安定器に内蔵された フィラメント変圧器により蛍光ランプの両電極(フィラメント) が加熱されると同時に両電極に始動電圧が印加され、 蛍光ランプのガラス管内面にほどこした導電性透明皮膜 (Mタイプラピッドスタート形蛍光ランプ) により始動を補助し、瞬時点灯させる方式に使用する安定器です。 ラピッドスタート式安定器には、一般に進相形(1灯用)と直列形(2灯用)が有ります。



