BESTOMZ IR赤外線障害物回避センサモジュール Arduino用 10個
- メーカー
- BESTOMZ
- JAN
- 0192189000602
- メーカー品番
- WNTG61150416PKOP
- この商品のレビュー
- Amazonでのレビュー
- シェア
商品説明
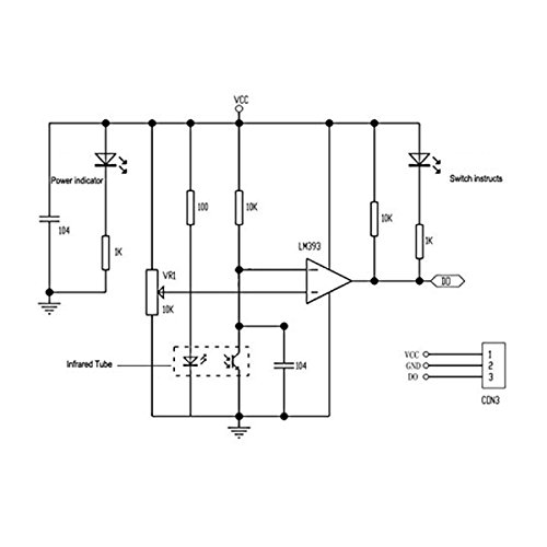
仕様
- 色:図示のとおり
- 材質:プラスチックと金属
- 基板サイズ:3.1 x 1.5CM / 1.22 x 0.59 "
- インタフェース
- VCC:外部3.3V-5V電圧(5V MCUおよび3.3V MCUに直接接続可能)
- GND:GND外部
- OUT:小型ボードのデジタル出力インタフェース(0と1)
- 接続:VCC-VCC。 GND-GND; OUT-IO
パッケージの内容
10xIR赤外線障害物回避センサモジュール Arduino用
特記事項
- 3mmのネジ穴で、簡単に固定設置できます。
- 出力ポートのOUTセンサモジュールは、マイクロコントローラのIOポートに直接接続することができます。直接5Vリレーを駆動することができます。
- モジュールは、距離2〜30センチメートル、検出角度35度を検出し、距離が調整されている可能性を検出することができます。
- 3-5V DC電源モジュールに使用できます。電源がオンになると、赤色の電源インジケータが点灯します。
- IR赤外線障害回避センサモジュールの検出範囲は、ポテンショメータを介して調整することができ、小さな干渉、組み立てが容易で、使いやすいです。




