bulushi 2PCS kbpc3510 は金属ケース高電流単相ダイオードブリッジ整流器 (3510)
- メーカー
- BLS
- ブランド
- BU LU SHI
- JAN
- 0766330514562
- メーカー品番
- 3510
- この商品のレビュー
- Amazonでのレビュー
- シェア
商品説明
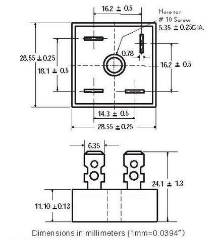
このブリッジ整流器単相半波の特徴は、低電力損失、低い逆漏れ電流の最大熱消散のための電気絶縁性の金属ケースの穴を通して、取付型。
特記事項
- 商品名ブリッジ整流器 モデルkbpc3510 相単
- もし(av)35 vrrm 400 v 端子サイズ12×6 mm×. 24 . 47」(l/w)
- odyサイズ28×28×11 mm×1 . 1 . 1 . 1×. 43」(l t w) センターボア径。5.5mm/ 2 . 2」
- 材料樹脂、金属 カラーはブラック、シルバートーン
- et重量74 g パッケージ内容2 xブリッジ整流器


