1000スモールクリアラウンドゴム足 – .250 H x .687 D – Made in USA Usa
- メーカー
- Linear Motion Labs
- JAN
- 0725873556606
- メーカー品番
- SF6T - PE84-CL
- この商品のレビュー
- Amazonでのレビュー
- シェア
商品説明
1秒あたり10 ( 1000 )用の小さなクリアラウンドマーキングのポリエチレンビニールフィート取り外し可能なメタル付きインサート追加されています。
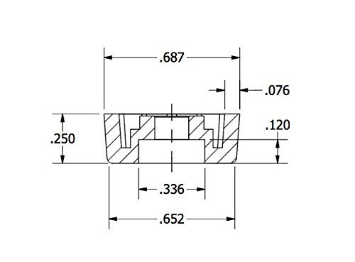
寸法は1 / 2インチワイド( .687 )より少し大きく、高さは1 / 4インチ(250) – 下記を参照してください。
これらは高品質のポリエチレンビニールゴム足が表示されます。デュロメーター(硬度)は海岸と84 A
金属製のセンター穴挿入が.155インチ高を表示し、# 6トラス頭ボルトまたは# 6のネジで、除去することができ
大きなボルト/スクリューに対応。このアイテムは、あなたの小さなラジオ・ギア、まな板、電子機器、工芸
必要とするおよびその他のアイテムに小さなゴム製足が表示されます。
数量 – 100
カラー:クリア
説明 – 小さなクリアラウンドポリエチレンビニールマーキングのゴム足
高さ – 250 ( 1 / 4インチ)または6.350 mm
トップ幅 – .687(1 / 2インチ)またはよりも少し大きく17.449 mm
下部がテーパー幅1 / 2インチを超える – .652(リトル)
リムーバブルメタルセンター穴・サイズの挿入 – .155インチ
ボルト/ねじサイズ# 6トラス頭を受け入れる – や# 6ネジ
材質:ポリエチレンビニール
デュロメーター – 84 Shore A
到達、RoHS準拠 – 制限の有害物質/競合ミネラル/ 3tgフリー、BPAフリー – アメリカ製。
特記事項
- 250インチx幅.687 "上部の幅x .652 "裾幅
- センター穴 – くぼみ直径336 " /くぼみの深さ.160 "
- マーキングのないポリエチレンビニール/デュロメーター84
- 余分な強度/は# 6 # 6トラス頭ボルトやネジの取り外しが可能なメタル挿入
- メイド・イン・U。S。A / RoHS & REACH対応


