オムロン(OMRON) H3CR-A8 AC24-48V 50/60HZ DC12-48V (ソリッドステート・タイマ) NN
- メーカー
- OMRON
- ブランド
- オムロン(OMRON)
- JAN
- h3cr-a8-ac24-48v-dc12-48v
- メーカー品番
- h3cr-a8-ac24-48v-dc12-48v
- この商品のレビュー
- Amazonでのレビュー
- シェア
商品説明
定格 定格電源電圧 AC24~48V 50/60Hz
DC12~48V リップルは20%以下
許容電圧変動範囲 定格電源電圧の85~110%
入力信号 リセット / スタート / ゲート
消費電力(リレーON時) 約0.8W (DC24V時)
消費電力(リレーOFF時) 約0.2W (DC24V時)
復帰電圧 定格電源電圧の10%以下
時間レンジ数 14
設定時間範囲(各レンジ) 0.05s~1.2s / 0.12min~1.2min / 0.12h~1.2h / 1.2h~12h / 0.3s~3s / 0.3min~3min / 0.3h~3h / 3h~30h / 1.2s~12s / 1.2min~12min / 12h~120h / 3s~30s / 3min~30min / 30h~300h
動作モード オンディレー, フリッカオンスタート, インターバル, ワンショット出力
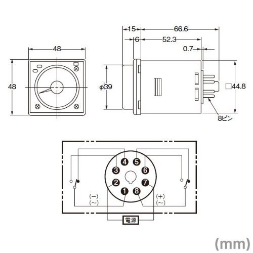
制御出力(種類) リレー2c
制御出力(接点出力) 開閉容量 (抵抗負荷(cosφ=1)): AC250V 5A / DC30V 5A
最小適用負荷: DC5V 10mA(P水準、参考値)
周囲温度範囲 使用時: -10~55℃
保存時: -25~65℃
(ただし、氷結しないこと)
周囲湿度範囲 使用時: 35~85%RH
保存時: 35~85%RH



