- トップ
- >
- 建築金物
- >
- 金属素材(線・板・棒)
- >
- 棒
SUS(エスユウエス) SF-20・20 SF9-202 900mm 4本入 (アルミフレーム)
- メーカー
- SUS(エスユウエス)
- JAN
- PAK-2008
- メーカー品番
- PAK-2008
- この商品のレビュー
- Amazonでのレビュー
- シェア
特記事項
- 原産国:日本
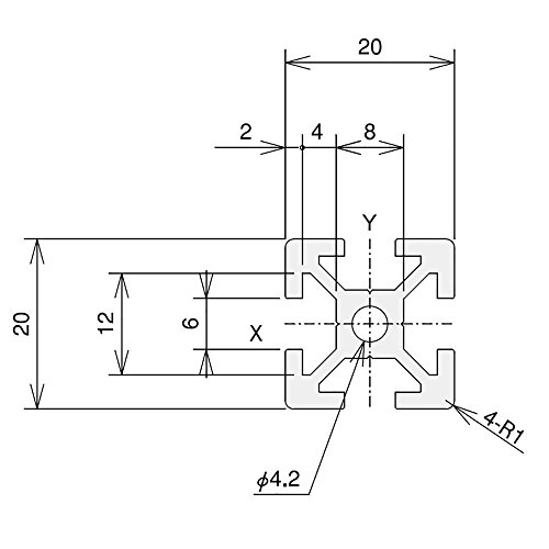
- アルミフレーム構造材SFシリーズの「フレーム」です
- アルマイト表面処理
- 断面2次モーメント:Ix=0.74×104mm4 Iy=0.74×104mm4
- 断面係数:Zx=0.74×103mm3 Zy=0.74×103mm3
- RoHS対応品
- 製品長さ900mmです。
こちらもどうぞ
関連リンク
価格ランキング
-
1位最安値¥2,301
-
2位¥2,480
-
3位¥2,594
-
4位¥2,594
-
5位¥2,594



