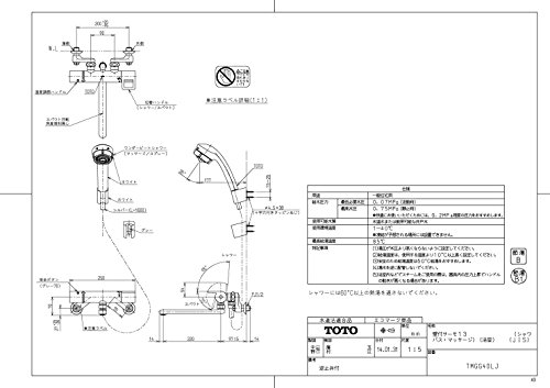
TOTO 浴室用水栓 吐水パイプ220mm TMGG40LJ (ワンダービートシャワー)
- メーカー
- TOTO
- JAN
- 4940577248176
- メーカー品番
- TMGG40LJ
- この商品のレビュー
- Amazonでのレビュー
- シェア
商品説明
◆ワンダービートシャワー
・旋回水流による断続感のある強い刺激で今までにない心地よさが感じられる。
・スプレーとマッサージの二つのシャワーモード。
特記事項
- 壁付き サーモスタット混合栓 シャワー付き
- スパウト(吐水パイプ)長さ:22cm ホース長さ:160cm 取り付け幅10.5~22.5cm対応
- ワンダービートシャワー(樹脂):旋回水流による断続感のある強い刺激で今までにない心地よさが感じられるマッサージシャワー。スプレー吐水との切り替えも可能。
- リングハンドル:指を引っかけられるので、濡れた手でも操作しやすい。
- ※給水圧が低い場合は水勢が十分に得られないことがあります。最低使用水圧は流動時で0.07MPa以上(ワンダービート吐水使用時は0.1MPa以上)にて使用してください。





