工具専科
工具関係の商品の価格比較などを行っています
すべて
電動工具・エア工具
大工道具・用品
配管・排水用備品
建築・住宅資材
電設
住宅用設備・製品
建築金物
作業工具
測定工具
安全・保護用品
エクステリア
ガーデニング
塗装
検索
トップ
カテゴリー一覧
メーカー一覧
キーワード一覧
このサイトについて
トップ
>
住宅用設備・製品
>
洗面・脱衣所用設備
>
洗面用水栓金具
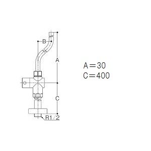
TOTO ストレート形止水栓13(共)(JIS) TLC4B10
メーカー
TOTO
ブランド
TOTO (トートー)
JAN
4940577216021
メーカー品番
TLC4B10
メーカー希望小売価格
¥12,528
発売時期
2010-08-01
この商品のレビュー
Amazonでのレビュー
シェア
Tweet
特記事項
ストレート形止水栓13(共)(JIS)
関連リンク
TOTOの洗面用水栓金具の商品一覧
価格ランキング
1位
Y!:アクアshop
最安値
¥11,660
¥868(7%) OFF
2位
Y!:KJK
¥12,707