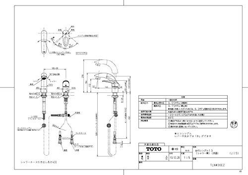
TOTO 洗面用水栓 シングル混合水栓 寒冷地向け TLNW36EZ (シャンプー水栓・ホース付き)
- メーカー
- TOTO
- JAN
- 4940577201119
- メーカー品番
- TLNW36EZ
- この商品のレビュー
- Amazonでのレビュー
- シェア
特記事項
- シングル混合水栓 (L587U・L620用)
- スパウト(吐水パイプ)長さ:14.5cm
- エコシングル水栓:よく使用するレバー中央部でも水のみ吐水、また水と湯の境をクリック感で知らせ、無意識の湯の無駄遣いを防止する節湯機能付き水栓。
- シャンプー水栓:シャワーヘッドを上下2か所で固定できる昇降式、便利なホース付き(ホース長さ40cm)。
- 寒冷地向け(水抜き機能あり):内部の水が凍結膨張し水栓が破損することを防ぐための水抜きができ、逆止弁がないもの。
- 吐水:ソフト・シャワー

