34 – 1 / 2 Inch Tallメタルカウンターテーブル脚高さで耐久性Brushed Steel Finish
- メーカー
- TableLegsOnline
- JAN
- 0753677133778
- メーカー品番
- KITCHEN34-FBA-LEG-BRUSHED-STEEL
- この商品のレビュー
- Amazonでのレビュー
- シェア
商品説明
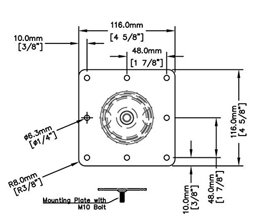
当社のkitchen34はメタルcounter-top高さテーブル脚の高さは正方形マウントプレート(定格荷重)を参照してください。簡単でシンプルなインストールを搭載しています。これで永久に使用、または取り外し/インストールてきました。クイック・セットアップにとっても、見本市などのブレイクダウンをしたり、市場、またはディスプレイブース。ねじの取り付けプレートをだけで簡単にサーフェスをねじると脚の上にプレートが提供されます。を削除するには、ツイストの脚を反対方向に移動します。これは、マウントプレートを添付されている場合、のままにの弱化にねじがないと、脚は上のねじれとオフを切り替えることができます。
特記事項
- 高さ: 34 – 1 / 2 ";直径: 2 – 3 / 8 "
- 仕上げ:高品質のブラシをかけたスチール
- 取り付け簡単:グループの中にスチールの正方形の取付プレート、m10ボルトとネジ
- leveler足により上方向の追加の1 "高さの調整の平らでない床
- 足口には単一のテーブルとして販売



