Zurn z842 C1商用グレード8 " Backmountシンク蛇口
- メーカー
- Zurn
- JAN
- 0670240424074
- メーカー品番
- Z842C1
- この商品のレビュー
- Amazonでのレビュー
- シェア
商品説明
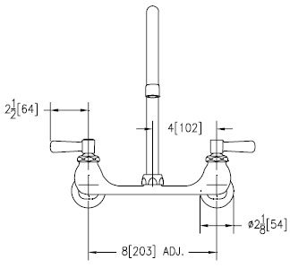
クロムめっきの真鍮キャスト商用グレードの8インチの光沢backmountシンク蛇口と四半期中心線のセラミックディスクカートリッジ、ショート・回転Inlets提供調整機能センターから7 – 1 / 4 " to 8 – 3 / 8 "と8 "をリジッドまたはスイングGooseneck注ぎ口を2.2 GPM圧力補正エアレーターは、ANSI a112.18.1規格を遵守(の)を参照してください。ユニットは、2 – 1 / 2 " vandal-resistant色分け金属レバーハンドルが表示されます。
特記事項
- 洗練されたクロムめっきのキャスト真鍮商用グレードの8 " backmountシンク蛇口
- 4分の1回転セラミックディスクカートリッジ
- 調整可能なセンターでは、78 – 3 / 8 "への1 / 4 "
- 注ぎ口を固定とスイングGooseneck 8 "中心線
- 2 – 1 / 2 " vandal-resistant色分けされた金属製のレバーハンドル


