TR03018 大開閉165度/スライド丁番(インセット)2個セット
- メーカー
- digram
- JAN
- 4580448427325
- メーカー品番
- TR03018
- この商品のレビュー
- Amazonでのレビュー
- シェア
商品説明
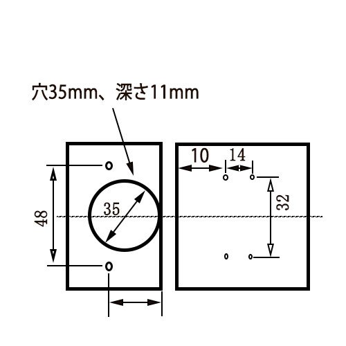
☆大開閉165度/スライド丁番
☆大きく扉が開くようになるので、中の棚がそのまま手前に引き出すことができます。
☆カップの直径:35mm
☆カップの深さ:11.3mm
☆開き:165度
☆カット量: 3mm~8mm
☆板の厚さ:14mm~26mm
☆材質:スチール/ニッケルメッキ仕上
☆付属ネジ:皿タッピングφ3.5×16mm(6本入)
※1個だけが壊れた場合でもその扉についている全ての丁番を取り替えて下さい。





