e-kanamono ピクチャーレール HPI-231 30mm幅(埋込設置用) 3000mm(1.5M+1.5M) アルマイトシルバー 【重量用】
- メーカー
- e-kanamono
- JAN
- HPI-231S
- メーカー品番
- HPI-231S
- この商品のレビュー
- Amazonでのレビュー
- シェア
商品説明
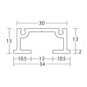
●商品名:HPI ピクチャーレール 30mm幅 ●品番:HPI-231S ●寸法:30mm(正面34mm) x 15mm t=2.0mm ●長さ:3000mm ●材質:アルミ押出型材 ●表面:アルマイトシルバー 設置方法 埋込設置タイプ 許容荷重 40kg 注意事項 ※上記許容荷重は300mm以内のピッチでビス固定した場合のレール1本あたりの許容荷重となります ※上記荷重はレール自体の強度であり、ビス及び取付部の強度は考慮されておりません ※レール端部は強度保持のため、端から50mm以内にビス固定してください 推奨ビス 4mm~5mm ※ビスは付属されておりません ●付属品:この商品に付属品はございません レールキャップ HPC-231S ・ピクチャーレールには、予めビス穴は明いておりませんので、 取付の際にはビス穴を明けていただく必要がございます ・取付には壁面などの強度を確認してご使用ください、強度不足の場合には必ず補強をしてください ●配送の都合により、カットして分割での発送となります。 ※個人宅への配送以外はカット無しでの発送も可能です。
特記事項
- レール幅:30mm幅
- 設置タイプ:埋込設置用
- 長さ:3000mm 【半分にカットして発送となります。】【※2Mを超えない範囲でカット位置の変更は可能です。】【※個人宅への配送以外はカット無しでの発送も可能です。】
- 仕上・色:アルマイトシルバー
関連リンク
価格ランキング
-
1位最安値¥6,103


